螺旋泵浦-JN-SLF

螺旋泵浦-JN-SLF型性能規格

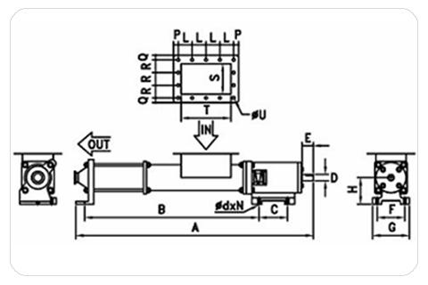
Unit:mm
| Model | A | B | C | D | E | F | G | H | ØdxN | P | L | Q | ØU | R | T | S | KG |
|---|---|---|---|---|---|---|---|---|---|---|---|---|---|---|---|---|---|
| SLF-200 | 940 | 697 | 114 | Ø25xW8 | 45 | 110 | 145 | 105 | 11x4 | 20.5x2 | 73x3 | 21x2 | 9 | 75x2 | 175 | 106 | 33 |
| SLF-300 | 1213 | 898 | 150 | Ø30xW10 | 60 | 150 | 180 | 125 | 11x4 | 23x2 | 90x3 | 21x2 | 9 | 75x2 | 234 | 106 | 67 |
| SLF-400 | 1356 | 987 | 176 | Ø35xW10 | 65 | 180 | 220 | 150 | 13x4 | 23x2 | 66x4 | 19x2 | 10 | 88x2 | 228 | 134 | 81 |
| SLF-500 | 1570 | 1168 | 196 | Ø40xW12 | 75 | 220 | 260 | 160 | 13x4 | 23x2 | 70x5 | 22x2 | 10 | 94x2 | 305 | 146 | 108 |
